JIS B 5120 最新規格 プラスチック金型用ディスクスペーサ|JIS規格 一覧|改正 更新情報|制定
JIS B 5120 プラスチック金型用ディスクスペーサの規格 JISB5120の一覧・種類と記号,硬さ,形状・寸法,材料,基本・名称・用語・知識・JIS最新改正更新情報に関して解説!
JIS B5120:1997の規格は,プラスチック用金型に用いるディスクスペーサについて規定。
ページコンテンツ
プラスチック金型用ディスクスペーサ 規格 一覧表

プラスチック金型用ディスクスペーサの一覧
最新 JIS B5120 規格の詳細 更新日 情報
JIS B 5120:1997の最新の詳細や改正,更新日の情報!
JIS 改正 最新情報
| JIS規格番号 | JIS B5120 | JIS改正 最新・更新日 | 1997年01月20日 |
|---|---|---|---|
| 規格名称 | プラスチック金型用ディスクスペーサ | ||
| 英語訳 | Parts for injection moulds – Disc spacers | ||
| 対応国際規格 ISO | |||
| 主務大臣 | 経済産業 | 制定 年月日 | 1989年03月01日 |
| 略語・記号 | No | JIS B5120:1997 | |
| ICS | 25.120.30 | JISハンドブック | |
| 改訂 履歴 | 1989-03-01 (制定),1994-03-01 (改正),1997-01-20 (改正),2005-01-20 (確認),2009-10-01 (確認),2015-10-20 (確認) | ||
JIS規格「日本工業規格」は、2019年7月1日の法改正により名称が「日本産業規格」に変わりました。
適用範囲 [1]
この規格は,プラスチック用金型に用いるディスクスペーサについて規定する。
備考 この規格の引用規格を,次に示す。
JIS G 4404 合金工具鋼鋼材
種類と記号 [2]
ディスクスペーサの種類と記号は,形状によって表1のとおり区分する。
| 種類 | 記号 |
|---|---|
| A形 | A |
| B形 | B |
| C形 | C |
硬さ [3]
ディスクスペーサの硬さは,45HRC以上とする。
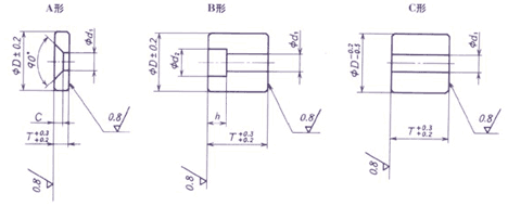
形状・寸法 [4]
ディスクスペーサの形状と寸法は,付表1による。
材料 [5]
ディスクスペーサの材料は,JIS G 4404のSKS93又は使用上これと同等以上の性能をもつものとする。
表示 [6]
ディスクスペーサの包装には,次の事項を表示しなければならない。
(1) 規格の名称
(2) 種類又はその記号
(3) 材料記号
(4) 呼び寸法×T
(5) 製造業者名又はその略号
例 プラスチック金型用ディスクスペーサ A形 SKS93 12×4 ○○○○製作所

図 形状と寸法
| 呼び寸法 | D | d1 | C | T | |
|---|---|---|---|---|---|
| 12 | 17 | 4.5 | 2.7 | 5 | |
| 13 | 17 | 4.5 | 2.7 | ||
| 16 | 20 | 5.5 | 3 | ||
| 20 | 25 | 6.6 | 3.8 | ||
| 25 | 30 | ||||
| 30 | 35 | 9 | 4.8 | 10 | |
| 32 | 38 | ||||
| 35 | 40 | ||||
| 40 | 45 | ||||
| 呼び寸法 | D | d1 | C | T | |
|---|---|---|---|---|---|
| 12 | 17 | 4.5 | 8 | 4.8 | 10 |
| 15 | |||||
| 13 | 17 | 4.5 | 8 | 4.8 | 10 |
| 15 | |||||
| 16 | 20 | 5.5 | 9.5 | 5.8 | 10 |
| 15 | |||||
| 20 | 25 | 6.6 | 11 | 7 | 10 |
| 15 | |||||
| 25 | 30 | 10 | |||
| 15 | |||||
| 30 | 35 | 9 | 14 | 9 | 20 |
| 30 | |||||
| 32 | 38 | 20 | |||
| 30 | |||||
| 35 | 40 | 20 | |||
| 30 | |||||
| 40 | 45 | 20 | |||
| 30 | |||||
| 50 | 58 | 11 | 17.5 | 11.3 | 20 |
| 30 | |||||
| 呼び寸法D | d1 | T |
|---|---|---|
| 12 | 4.5 | 5 |
| 10 | ||
| 15 | ||
| 13 | 5 | |
| 10 | ||
| 15 | ||
| 16 | 5.5 | 5 |
| 10 | ||
| 15 | ||
| 20 | ||
| 25 | ||
| 35 | ||
| 20 | 6.6 | 5 |
| 10 | ||
| 15 | ||
| 20 | ||
| 30 | ||
| 40 | ||
| 50 | ||
| 25 | 6.6 | 5 |
| 10 | ||
| 15 | ||
| 20 | ||
| 25 | ||
| 35 | ||
| 45 | ||
| 30 | 9 | 5 |
| 10 | ||
| 20 | ||
| 30 | ||
| 40 | ||
| 32 | 5 | |
| 10 | ||
| 20 | ||
| 30 | ||
| 40 | ||
| 35 | 9 | 5 |
| 10 | ||
| 20 | ||
| 30 | ||
| 40 | ||
| 40 | 10 | |
| 20 | ||
| 30 | ||
| 40 | ||
| 50 | 11 | 10 |
| 20 | ||
| 30 | ||
| 40 | ||
| 50 |
金型 関連 主なJIS規格 一覧
| 規格番号 | 規格名称 | 規格番号 | 規格名称 |
|---|---|---|---|
| JIS B 5062 | 金型用ダウエルピン | JIS B 5111 | プラスチック用金型のロケートリング |
| JIS B 5115 | プラスチック用金型のエジェクタガイドピン | JIS B 5118 | プラスチック用金型のエジェクタガイドブシュ |
| JIS B 5120 | プラスチック金型用ディスクスペーサ | JIS B 6701 | プラスチック射出成形機の金型関連寸法 |
| JIS B 6702 | プラスチック圧縮成形機とトランスファ成形機の金型関連寸法 |
基本、製品認証、コンクリート製品、土木資材〔セメント/骨材/混和材/混和剤/鋼材/その他〕、生コンクリート、製造設備・器具、試験方法〔コンクリート/骨材/セメント/工程管理〕、その他

